Lenovo ThinkPad T460p (Core i7, GeForce 940MX) Notebook Review

For the original German review, see here.
Thin is in: Ultrabooks are not only getting more popular in the consumer segment, business notebooks have also been focusing on mobility for a couple of years now. Even though modern low-voltage processors actually reached a decent performance level, not every user likes this development – if you often use well-parallelized software, you will prefer a more powerful quad-core CPU.
Lenovo offers the ThinkPad T460p for these customers. We already reviewed it a couple of weeks ago, and we want to add our impressions of the much better equipped high-end version: Our review unit today has the designation 20FXS05500 and is equipped with a fast Core i7-6700HQ, 8 GB RAM, 512 GB SSD storage as well as a discrete Nvidia GeForce 940MX. You also get a high-resolution IPS display with 2560x1440 pixels, while the base model only had an FHD panel. This obviously comes at a price: Even the education model (available for students and teachers) without operating system currently retails for around 1,400 Euros (~$1579).
We just reviewed the T460p very comprehensively, so we will not cover the sections Case, Connectivity and Input Devices in this article. The corresponding information is available in our first review, where we also took some of the following pictures from (except for the pictures of the PSU and the components).
Display
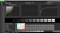
We already mentioned that the T460p is available with two different display options: A Full HD panel with 1920x1080 pixels (250 cd/m², contrast 600:1 according to Lenovo) as well as the WQHD panel with 2560x1440 pixels of our review unit (300 cd/m², contrast 700:1 or 800:1 according to Lenovo). Both panels are based on the IPS technology and ensure wide viewing angles, so the higher pixel density of 210 PPI is the main argument for the 1440p panel besides the nominally slightly higher luminance. Our review unit actually convinces with sharp images, and high-resolution pictures as well as movies in particular look really good. If you have good eyesight and are sitting close to the display, you might even consider using it without scaling: You can easily display three PDF or Word documents next to each other at 100% and therefore increase productivity significantly.
The T460p also performs very well in respect of the luminance and manages up to 280 cd/m², which is very evenly distributed across the panel – the result cannot quite match the claimed value, but it is still more than sufficient in practice. Similar to the T460s, however, the display is dimmed via PWM (220 Hz), which will be visible as slight flickering for very sensitive users. There is just one solution in this case: get the Full HD model without PWM. The black value is decent at 0.31 cd/m², so we get a high contrast ratio of 935:1, which is typical for an IPS panel.
Screen Flickering / PWM (Pulse-Width Modulation)
| Screen flickering / PWM detected | 220 Hz | ||
The display backlight flickers at 220 Hz (worst case, e.g., utilizing PWM) . The frequency of 220 Hz is relatively low, so sensitive users will likely notice flickering and experience eyestrain at the stated brightness setting and below. In comparison: 53 % of all tested devices do not use PWM to dim the display. If PWM was detected, an average of 7996 (minimum: 5 - maximum: 343500) Hz was measured. | |||
| |||||||||||||||||||||||||
Brightness Distribution: 93 %
Center on Battery: 290 cd/m²
Contrast: 935:1 (Black: 0.31 cd/m²)
ΔE ColorChecker Calman: 3.88 | ∀{0.5-29.43 Ø4.76}
ΔE Greyscale Calman: 5.47 | ∀{0.09-98 Ø5}
96.64% sRGB (Argyll 1.6.3 3D)
63.3% AdobeRGB 1998 (Argyll 1.6.3 3D)
68.8% AdobeRGB 1998 (Argyll 3D)
96.5% sRGB (Argyll 3D)
66.9% Display P3 (Argyll 3D)
Gamma: 2.33
CCT: 6469 K
| Lenovo ThinkPad T460p-20FXS05500 2560 x 1440 IPS-Panel | Lenovo ThinkPad T460p-20FW000DGE 1920 x 1080 IPS-Panel | Lenovo ThinkPad T460s-20FA003GGE 2560 x 1440 IPS-Panel | HP EliteBook 840 G3 T9X59ET#ABD 1920 x 1080 TN-Panel | Dell Latitude 14 7000 Series E7470 2560 x 1440 IPS-Panel | |
|---|---|---|---|---|---|
| Display | -41% | 2% | -26% | 0% | |
| Display P3 Coverage (%) | 66.9 | 38.78 -42% | 68.7 3% | 48.93 -27% | 67.2 0% |
| sRGB Coverage (%) | 96.5 | 58.3 -40% | 98.1 2% | 73.7 -24% | 95.9 -1% |
| AdobeRGB 1998 Coverage (%) | 68.8 | 40.08 -42% | 70.4 2% | 50.5 -27% | 69.3 1% |
| Response Times | 10% | -6% | -7% | -17% | |
| Response Time Grey 50% / Grey 80% * (ms) | 38.4 ? | 30.8 ? 20% | 35.6 ? 7% | 43 ? -12% | 48 ? -25% |
| Response Time Black / White * (ms) | 24.8 ? | 24.8 ? -0% | 29.2 ? -18% | 25 ? -1% | 27 ? -9% |
| PWM Frequency (Hz) | 220 | 220 ? | 204 ? | ||
| Screen | -3% | -5% | -48% | 17% | |
| Brightness middle (cd/m²) | 290 | 269 -7% | 257 -11% | 366 26% | 380 31% |
| Brightness (cd/m²) | 280 | 255 -9% | 248 -11% | 336 20% | 354 26% |
| Brightness Distribution (%) | 93 | 91 -2% | 94 1% | 87 -6% | 81 -13% |
| Black Level * (cd/m²) | 0.31 | 0.24 23% | 0.26 16% | 0.65 -110% | 0.26 16% |
| Contrast (:1) | 935 | 1121 20% | 988 6% | 563 -40% | 1462 56% |
| Colorchecker dE 2000 * | 3.88 | 4.27 -10% | 4.59 -18% | 10.26 -164% | 3.11 20% |
| Colorchecker dE 2000 max. * | 8.19 | 8.82 -8% | 9.72 -19% | 6.73 18% | |
| Greyscale dE 2000 * | 5.47 | 2.95 46% | 6.38 -17% | 11.51 -110% | 4.35 20% |
| Gamma | 2.33 94% | 2.12 104% | 2.51 88% | 2.4 92% | 2.37 93% |
| CCT | 6469 100% | 7049 92% | 6238 104% | 12725 51% | 6771 96% |
| Color Space (Percent of AdobeRGB 1998) (%) | 63.3 | 37 -42% | 65 3% | 47 -26% | 62 -2% |
| Color Space (Percent of sRGB) (%) | 96.64 | 58.2 -40% | 98 1% | 74 -23% | 96 -1% |
| Total Average (Program / Settings) | -11% /
-9% | -3% /
-4% | -27% /
-37% | 0% /
9% |
* ... smaller is better
Despite comparatively low DeltaE deviations, we could not recommend the T460p from our first review for photographers and graphics artists. The reason: The color gamut of the FHD model is just too small at 58% sRGB. Our WQHD model is much better in this respect and almost covers the whole sRGB reference (96.6%) and the more demanding AdobeRGB color space at least by 63.3%. Thanks to very accurate colors and grayscale – all measurements are at a DeltaE of 2.0 or lower after the calibration – the ThinkPad should be sufficient for (semi) professional applications.
Outdoor use (overcast)
Display Response Times
| ↔ Response Time Black to White | ||
|---|---|---|
| 24.8 ms ... rise ↗ and fall ↘ combined | ↗ 10.8 ms rise | |
| ↘ 14 ms fall | ||
| The screen shows good response rates in our tests, but may be too slow for competitive gamers. In comparison, all tested devices range from 0.1 (minimum) to 240 (maximum) ms. » 57 % of all devices are better. This means that the measured response time is worse than the average of all tested devices (20.1 ms). | ||
| ↔ Response Time 50% Grey to 80% Grey | ||
| 38.4 ms ... rise ↗ and fall ↘ combined | ↗ 14.8 ms rise | |
| ↘ 23.6 ms fall | ||
| The screen shows slow response rates in our tests and will be unsatisfactory for gamers. In comparison, all tested devices range from 0.165 (minimum) to 636 (maximum) ms. » 57 % of all devices are better. This means that the measured response time is worse than the average of all tested devices (31.4 ms). | ||
It does not matter if you look at the panel from above, below or the sides: You can see the display content of the ThinkPad from pretty much any position without annoying color distortions or gamma changes. Only the contrast ratio will drop gradually at extreme angles, but this is completely normal even for a high-quality IPS panel. We cannot find any noticeable differences compared to the Full HD model; both can be looked at with multiple people.
Performance
Besides the Dell Latitude E5470, the ThinkPad T460p is currently the only 14-inch business notebook you can get with powerful quad-core CPUs. You can choose between the Core i5 models 6300HQ and 6440HQ as well as the i7 chips 6700HQ and 6820HQ. All four are based on Intel's Skylake architecture and are manufactured in a 14 nm process.
Clocked at 2.6 up to 3.5 GHz (2 cores: 3.3 GHz; 4 cores: 3.1 GHz), the Core i7-6700HQ is exactly on par with the previously reviewed i5-6440HQ, but it also supports Hyper-Threading for the simultaneous execution of up to eight cores. All ULV models, which are available in the sibling T460s, for example, only have up to two cores and four threads. Those U-chips have a lower TDP of just 15 Watts in return, while the quad-core CPUs have a TDP of 45 Watts, even though this value can be adjusted by the notebook manufacturer (within certain limits).
| Core i5-6200U | Core i7-6600U | Core i5-6440HQ | Core i7-6700HQ | |
|---|---|---|---|---|
Cores/Threads |
2/4 | 2/4 | 4/8 | 4/8 |
Nominal clock |
2.3 GHz | 2.6 GHz | 2.6 GHz | 2.6 GHz |
1-Core Turbo |
2.8 GHz | 3.4 GHz | 3.5 GHz | 3.5 GHz |
Maximum load Turbo |
2.7 GHz | 3.2 GHz | 3.1 GHz | 3.1 GHz |
L3-Cache/eDRAM |
3 MB | 4 MB | 6 MB | 6 MB |
GPU |
HD 520 (1.0 GHz) | HD 520 (1.05 GHz) | HD 530 (0.95 GHz) | HD 530 (1.05 GHz) |
TDP |
15 W | 15 W | 45 W | 45 W |
In addition to the integrated HD Graphics 530 (24 EUs, 350-1050 MHz), our review unit is also equipped with the discrete Nvidia GeForce 940MX, which is automatically activated in demanding applications via Optimus. Even though the name suggests a higher performance, the differences compared to the predecessor GeForce 940M are actually limited to a slightly higher clock of now 1122 MHz (940M: 1072 MHz). Boost (1176 MHz) and memory clock (1000 MHz DDR3) on the other hand are identical, just like the technical specifications of the GM108 chip (384 shaders, 64-bit interface).
Our model is equipped with 8 GB RAM, more precisely one 8 GB module (DDR4-2133). A secondary slot makes upgrades very easy, although our model only runs in a single-channel configuration in return. However, this primarily affects the performance of the processor graphics, so we do not think it is a problem. Files can be stored on a 2.5-inch SATA-SSD.
Processor
We start this section with one important note or correction, respectively: Contrary to the manufacturer's specification of 45 Watts, Lenovo configured the T460p with a 35-Watt limit for longer periods – probably because they do not want to stress the cooling solution too much. The Skylake processor is fortunately very efficient and can even maintain its maximum Turbo Boost of 3.1 GHz when we stress all four cores. The integrated sensors show exactly 35 Watts in Cinebench R15 Multi. The TDP limit is no problem in single-core scenarios, where 15 Watts is sufficient for the full 3.5 GHz. Except for synthetic stress tools like Prime95 as well as simultaneous load for the CPU cores and iGPU (only important for configurations without GeForce GPU), this design decision is therefore no problem.
Thanks to the perfectly utilized Turbo Boost range both on mains as well as battery power, the CPU can always maintain its full performance. The Core i7-6700HQ can beat the i5-6440HQ by 25 up to 30% in applications that are optimized for multiple cores and is almost twice as fast as the ULV top model Core i7-6600U. However, all three chips are basically on par when the application only uses one or two cores. You should definitely consider that when you are deciding between the ThinkPad T460s and T460p.
| X264 HD Benchmark 4.0 | |
| Pass 1 | |
| Lenovo ThinkPad T460p-20FXS05500 | |
| Lenovo ThinkPad T460s-20FA003GGE | |
| Pass 2 | |
| Lenovo ThinkPad T460p-20FXS05500 | |
| Lenovo ThinkPad T460s-20FA003GGE | |
Storage Devices
Considering the generous 512 GB SSD, users can easily get over the fact that the T460p does not have a secondary 2.5-inch slot for an additional HDD. You get at least one free M.2-2242 slot, which can either be used for an LTE module (necessary antennas are already integrated) or another SSD (SATA 6 Gbps). Corresponding drives are, however, pretty limited and hard to get right now.
The SSD in our review unit is a Samsung PM871 (MZ7LN512HCHP), an upper-mainstream OEM model. The technology should be very similar to the retail 850 Evo, which is known for its high performance and reliability. We can at least confirm the former by our measurements: Read and write rates around 500 MB/s are excellent for a common SATA SSD, but the 4K and 4K64 results are convincing as well.
Even higher transfer rates are managed by configurations with SATA-Express SSDs, which are mentioned by Lenovo in the spec sheet. Thanks to the PCIe x2 interface, those drives could reach transfer rates of around 2 GB/s.
| Lenovo ThinkPad T460p-20FXS05500 Samsung SSD PM871 MZ7LN512HCHP | Lenovo ThinkPad T460s-20FA003GGE Samsung SSD SM951a 512GB M.2 PCIe 3.0 x4 NVMe (MZVKV512) | Lenovo ThinkPad T460s-20F9003SGE Samsung CM871 MZ7LF192HCGS | HP EliteBook 840 G3 T9X59ET#ABD Samsung SSD PM851 256 GB MZNTE256HMHP | Dell Latitude 14 7000 Series E7470 Samsung SSD PM851 M.2 2280 256GB | |
|---|---|---|---|---|---|
| AS SSD | 168% | -55% | -12% | -6% | |
| Seq Read (MB/s) | 510 | 2039 300% | 471 -8% | 505 -1% | 495.5 -3% |
| Seq Write (MB/s) | 448.3 | 1407 214% | 163.3 -64% | 231.6 -48% | 283.7 -37% |
| 4K Read (MB/s) | 23.3 | 45.41 95% | 14.18 -39% | 25.24 8% | 30.91 33% |
| 4K Write (MB/s) | 74 | 114.4 55% | 34.38 -54% | 72.4 -2% | 85.1 15% |
| 4K-64 Read (MB/s) | 338 | 968 186% | 85.4 -75% | 362 7% | 336.1 -1% |
| 4K-64 Write (MB/s) | 286.8 | 366 28% | 33.4 -88% | 190.6 -34% | 170 -41% |
| Copy ISO MB/s (MB/s) | 285 | 1135 298% | 119.9 -58% |
System Performance
Probably the most important question for users is whether you can also notice the power of the quad-core with normal workloads. Our verdict: Not really – two cores with Hyper-Threading are easily sufficient for browser, PDF reader and office applications. A responsive system mainly requires (besides an SSD) a good performance per core, which is also offered by the frugal ULV chips. There are still reasons to get the much heavier and thicker T460p instead of the T460(s): Extensive multi-tasking or complex simulation applications will bring dual-cores much faster to their limits compared to more powerful quad-cores.
This is not really visible in the synthetic PCMark, so the T460p is hardly ahead of its dual-core competition.
| PCMark 7 - Score | |
| Lenovo ThinkPad T460p-20FXS05500 | |
| Dell Latitude 14 7000 Series E7470 | |
| Lenovo ThinkPad T460s-20FA003GGE | |
| Lenovo ThinkPad T460p | |
| PCMark 7 Score | 5585 points | |
| PCMark 8 Home Score Accelerated v2 | 3292 points | |
| PCMark 8 Creative Score Accelerated v2 | 4241 points | |
| PCMark 8 Work Score Accelerated v2 | 4463 points | |
Help | ||
GPU Performance
Considering the almost identical specs, we did not expect the GeForce 940MX to be a real upgrade over the existing GeForce 940M. The slight additional performance is mainly a result of driver optimizations, but the older model would benefit from them as well. Looking at the T450s, however, we also have to mention that its 940M runs slightly below the reference clocks.
The 940MX still beats the integrated HD Graphics 530 by the factor two depending on the gaming configuration – or better illustrated: 3D calculations the GeForce manages smoothly in Full HD would be limited to the WXGA setting with the Intel GPU. You should still be aware that the GeForce 940MX is a lower mainstream GPU and therefore not suitable for demanding 3D applications. The GPU performance is fortunately not reduced on battery power.
| 3DMark 06 Standard Score | 14195 points | |
| 3DMark 11 Performance | 2805 points | |
| 3DMark Ice Storm Standard Score | 41687 points | |
| 3DMark Cloud Gate Standard Score | 8503 points | |
| 3DMark Fire Strike Score | 1537 points | |
Help | ||
Gaming Performance
Contrary to the HD Graphics 530, the GeForce 940MX is powerful enough for acceptable frame rates around 30 fps in modern 3D games like Fallout 4 or Rise of the Tomb Raider, but you will have to live with the lowest resolutions and settings in return. Older or less demanding titles like FIFA 16, The Sims 4 or Counter Strike: Global Offensive can sometimes also be played with higher settings and in Full HD (1920x1080 pixels). The GPU is, however, not powerful enough for the native display resolution of 2560x1440 pixels, even for these games.
| Tomb Raider | |
| 1024x768 Low Preset | |
| Lenovo ThinkPad T460p-20FXS05500 | |
| Lenovo ThinkPad T450s-20BWS1UT00 | |
| Lenovo ThinkPad T460s-20FA003GGE | |
| Lenovo ThinkPad T460p | |
| 1366x768 Normal Preset AA:FX AF:4x | |
| Lenovo ThinkPad T460p-20FXS05500 | |
| Lenovo ThinkPad T450s-20BWS1UT00 | |
| Lenovo ThinkPad T460s-20FA003GGE | |
| Lenovo ThinkPad T460p | |
| 1366x768 High Preset AA:FX AF:8x | |
| Lenovo ThinkPad T460p-20FXS05500 | |
| Lenovo ThinkPad T450s-20BWS1UT00 | |
| Lenovo ThinkPad T460s-20FA003GGE | |
| Lenovo ThinkPad T460p | |
| low | med. | high | ultra | |
|---|---|---|---|---|
| Diablo III (2012) | 125.6 | 103 | 83.4 | 50.6 |
| Counter-Strike: GO (2012) | 182 | 156.8 | 107.2 | 57.9 |
| Crysis 3 (2013) | 44.3 | 26.1 | 19.6 | 7.3 |
| Tomb Raider (2013) | 141.2 | 68.4 | 37.4 | 18.5 |
| BioShock Infinite (2013) | 98.7 | 55.7 | 44.8 | 15.5 |
| Metro: Last Light (2013) | 52.5 | 39.8 | 24 | 12 |
| Battlefield 4 (2013) | 67.9 | 47 | 31.7 | 12.1 |
| Thief (2014) | 37.5 | 24.8 | 20 | 9.9 |
| Sims 4 (2014) | 173.4 | 68.7 | 38 | 29 |
| Dirt Rally (2015) | 145.4 | 57.3 | 29.7 | 13 |
| FIFA 16 (2015) | 126.8 | 68.6 | 43.5 | |
| Fallout 4 (2015) | 36.5 | 22.9 | 12.3 | |
| Rise of the Tomb Raider (2016) | 29.1 | 18.7 | 11.3 |
Emissions
System Noise
After the T460p with Core i5 CPU and integrated graphics was not really restrained, we had pretty low expectations for the high-end configuration – but quite the contrary: Thanks to a second heat pipe, our new model is even slightly quieter under load than before with 33.5 up to 38.8 dB(A). The idle noise also drops to 29.2 dB(A); this is not the result of a lower fan speed, but the replacement of the HDD with a silent SSD. The notebook is passively cooled while idling in general, but the fan will be quickly activated even under light workloads. The lowest rpm levels are only audible at a low distance, so this is no big deal in practice.
| Lenovo ThinkPad T460p-20FXS05500 6700HQ, GeForce 940MX | Lenovo ThinkPad T460p-20FW000DGE 6440HQ, HD Graphics 530 | Lenovo ThinkPad T460s-20F9003SGE 6200U, HD Graphics 520 | Lenovo ThinkPad T460s-20FA003GGE 6600U, HD Graphics 520 | Dell Latitude 14 7000 Series E7470 6600U, HD Graphics 520 | |
|---|---|---|---|---|---|
| Noise | -11% | 2% | 0% | -1% | |
| off / environment * (dB) | 29.2 | 30 -3% | 29.1 -0% | 29.2 -0% | 31.2 -7% |
| Idle Minimum * (dB) | 29.2 | 33.7 -15% | 29.1 -0% | 29.2 -0% | 31.2 -7% |
| Idle Average * (dB) | 29.2 | 33.7 -15% | 29.1 -0% | 29.2 -0% | 31.2 -7% |
| Idle Maximum * (dB) | 29.2 | 33.7 -15% | 29.1 -0% | 29.2 -0% | 31.2 -7% |
| Load Average * (dB) | 33.5 | 36.2 -8% | 32.3 4% | 33.7 -1% | 31.9 5% |
| Load Maximum * (dB) | 38.8 | 41.9 -8% | 36.6 6% | 38.5 1% | 31.9 18% |
* ... smaller is better
Noise level
| Idle |
| 29.2 / 29.2 / 29.2 dB(A) |
| Load |
| 33.5 / 38.8 dB(A) |
![]() | ||
30 dB silent 40 dB(A) audible 50 dB(A) loud |
||
min: | ||
Temperature
Lenovo unfortunately buys this surprisingly low noise development with very high temperatures – at least under maximum load. We can measure temperatures above 40 °C at many spots after our one-hour stress test, and even more than 50 °C at the fan exhaust. Even though the stress by Prime95 and FurMark is not that common in practice and represents a worst-case scenario, the results are still too high; there is hardly any headroom for a dusty fan or high ambient temperatures.
We can also see high temperatures of the processor and the graphics card inside the notebook, because the sensors show core temperatures of up to 89 °C (GPU) and 98 °C (CPU), respectively. The Core i7 already throttles a bit, even though the nominal clock is just barely missed: Individual cores can occasionally drop to 2.4-2.5 GHz, while the GPU can maintain 1176 MHz. We did not notice the clock reductions when we performed normal applications or played games on the ThinkPad, but it also gets pretty warm and does not really seem to handle the heat very well.
(-) The maximum temperature on the upper side is 51.6 °C / 125 F, compared to the average of 34.3 °C / 94 F, ranging from 21.2 to 62.5 °C for the class Office.
(-) The bottom heats up to a maximum of 55.2 °C / 131 F, compared to the average of 36.8 °C / 98 F
(+) In idle usage, the average temperature for the upper side is 29.6 °C / 85 F, compared to the device average of 29.5 °C / 85 F.
(-) The palmrests and touchpad can get very hot to the touch with a maximum of 41.1 °C / 106 F.
(-) The average temperature of the palmrest area of similar devices was 27.5 °C / 81.5 F (-13.6 °C / -24.5 F).
Speakers
We already talked about the quality of the integrated stereo speakers in our previous review – in short: The quality is actually decent for an office notebook and you get a good maximum volume with clear high tones and powerful medium range. You should, however, not expect too much bass due to the lack of a subwoofer. An external sound system via 3.5 mm stereo jack or HDMI/DisplayPort can help in this case.
Energy Management
Power Consumption
It is a bit surprising that the T460p-20FXS05500 (5.0-10.8 Watts) does not consume much more power while idling than the previously reviewed Core i5 configuration (6.3-10.6 Watts) – it seems the frugal SSD and the modern Windows 10 OS (the i5 model was reviewed with Windows 7) can compensate for the higher consumption of the display and the faster components.
As expected, the differences are bigger under load: Instead of 42.7 up to 66.7 Watts (i5 model), our measurement device shows 52.4 up to 89.8 Watts (75 Watts with throttling). The shipped 135-Watt PSU, which is very bulky, seems to be too powerful considering these results, but it will at least quickly charge the battery even when you really stress the device.
| Off / Standby | |
| Idle | |
| Load |
|
Key:
min: | |
Battery Runtime
Contrary to the T460(s) or X260, for example, the T460p only has one battery with either 23, 48 or 72 Wh. Most configurations are equipped with the medium-sized model ex-works, which is also the case for our review unit.
Even though the capacity is not really generous considering the power consumption, the T460p still performs pretty well and manages runtimes between 1 and 11 hours depending on the scenario. Users can expect between 5-6 hours in practice (150 cd/m² display brightness, Wi-Fi browsing or video playback). The bigger 72-Wh battery should therefore easily be on par with the 100-Wh module of the T440p. Interesting side note: Despite the ULV platform, the ultra mobile T460s does not last much longer on battery.
| Lenovo ThinkPad T460p-20FXS05500 48 Wh | Lenovo ThinkPad T460p-20FW000DGE 48 Wh | Lenovo ThinkPad T440p 20AN-006VGE 100 Wh | Lenovo ThinkPad T460s-20FA003GGE 49 Wh | Dell Latitude 14 7000 Series E7470 55 Wh | |
|---|---|---|---|---|---|
| Battery runtime | -17% | 59% | 13% | 53% | |
| Reader / Idle (h) | 11 | 8.2 -25% | 14.8 35% | 13.9 26% | |
| H.264 (h) | 6 | 4.8 -20% | 8.5 42% | 6.6 10% | |
| WiFi v1.3 (h) | 5 | 4.4 -12% | 5.7 14% | 5.8 16% | |
| Load (h) | 1 | 0.9 -10% | 2 100% | 1 0% | 1.9 90% |
| WiFi (h) | 10 |
Pros
Cons
Verdict
There are currently not many alternatives if you are looking for a compact office notebook with a lot of CPU performance. Besides the Dell Latitude E5470, the ThinkPad T460p is currently the only 14-inch device which can also handle demanding multithread software thanks to quad-core CPUs. This might be reason enough to buy it for some users – but the ThinkPad also has other advantages like the robust chassis, excellent input devices or the very good IPS display. The dedicated GeForce GPU is definitely worth the additional charge, since it is twice as fast as the integrated processor graphics. Smaller issues like the missing USB Type-C port, the bulky power adapter or the average battery runtimes are therefore not such a big deal.
One point cannot be compensated for that easily: With aging thermal paste and dusty fans, there can be throttling as well as inconveniently warm surface temperatures even when you do not use synthetic stress tools. You might argue that this problem is much smaller in practice – but who buys a device like the T460p if you do not want to use the performance?
CPU temperatures close to 100 °C show what users can expect during the summer.
If you can live with the high temperatures, there is no reason to avoid the T460p, but it might be a good idea to use tools like TPFanControl to tune the fan control in this case.
Lenovo ThinkPad T460p-20FXS05500
- 04/18/2016 v5.1 (old)
Till Schönborn






























































