Verdict Samsung Galaxy A17 4G
You can hardly get a smartphone with an AMOLED screen cheaper than the Samsung Galaxy A17 4G: You pay less than 200 euros for the phone. But you also have to do without 5G capability and make do with 4 GB of RAM, at least for the basic model. The battery life is also rather mediocre.
You won't want to run overly complex apps on the relatively slow SoC. Nevertheless, most everyday tasks run smoothly.
The flexible camera system with wide-angle and macro camera is also unusual, even if they have a very low resolution.
You have to live with PWM flickering on the screen and should not place too high demands on the Wi-Fi speed.
Overall, however, the Samsung Galaxy A17 4G is an unusually well-equipped budget smartphone that is definitely worth a look.
Pros
Cons
Price and availability
At amazon.com you will pay around US$ 230 for the smartphone.
Table of Contents
- Verdict Samsung Galaxy A17 4G
- Specifications
- Housing and features - plastic and Gorilla Glass
- Communication and operation - LTE phone with fingerprint sensor
- Software and sustainability - 6 years of updates?
- Cameras - Unusually flexible
- Display - Bright 90 Hz AMOLED
- Performance, emissions and battery life - reasonably fast
- Notebookcheck overall rating
- Possible alternatives in comparison
Specifications
Housing and features - plastic and Gorilla Glass
The chassis of the Samsung Galaxy A17 4G has been redesigned, slimmed down and made 10 grams lighter than its predecessor.
The entire casing is made of plastic, but looks sturdy and has a clean finish. The back slightly reflects the ambient light, but the overall design is quite simple. The cameras are combined in an oval module. The screen is protected by Gorilla Glass Victus, a rarity in this price range.
Our test device comes with 4 GB RAM and 128 GB mass storage. There is also a model with 8 GB RAM and 256 GB mass storage, the price difference is around 30 euros.
We like the fact that NFC is available, for example for mobile payment services.
An eSIM cannot be used, but two nano-SIM slots are available. One of them can also be used for a microSD card, which expands the memory by up to 2 TB. In our test, the reader worked reasonably quickly and with fairly stable transfer rates.
| SD Card Reader - average JPG Copy Test (av. of 3 runs) | |
| Samsung Galaxy A17 5G (Angelbird V60) | |
| Samsung Galaxy A16 4G (Angelbird V60) | |
| Samsung Galaxy A17 4G | |
| Xiaomi Redmi 15C 5G (Angelbird V60) | |
| Average of class Smartphone (5.72 - 58.9, n=69, last 2 years) | |
| Motorola Moto G15 (Angelbird V60) | |
Cross Platform Disk Test (CPDT)
Communication and operation - LTE phone with fingerprint sensor
You have to do without 5G mobile communications and there are not too many frequency bands available in the LTE network either.
The reception is not always optimal in various spot checks during our test, but rarely fails completely.
In Wi-Fi, the phone can only use the WiFi 5 standard at most. This means that data rates of around 300 MBit/s are achieved quite stably.
The screen can display up to 90 frames per second and therefore reacts quite quickly to inputs. The touchscreen can be operated precisely.
A fingerprint sensor is integrated in the standby button on the right-hand side of the casing, which unlocks the phone reliably and with little waiting time. Biometric unlocking via facial recognition is also possible. It also works quite quickly and accurately in good ambient light.
| Networking | |
| Samsung Galaxy A17 4G | |
| iperf3 transmit AXE11000 | |
| iperf3 receive AXE11000 | |
| Samsung Galaxy A17 5G | |
| iperf3 transmit AXE11000 | |
| iperf3 receive AXE11000 | |
| Xiaomi Redmi 15C 5G | |
| iperf3 transmit AXE11000 | |
| iperf3 receive AXE11000 | |
| Samsung Galaxy A16 4G | |
| iperf3 transmit AXE11000 | |
| iperf3 receive AXE11000 | |
| Motorola Moto G15 | |
| iperf3 transmit AXE11000 | |
| iperf3 receive AXE11000 | |
| Average 802.11 a/b/g/n/ac | |
| iperf3 transmit AXE11000 | |
| iperf3 receive AXE11000 | |
| Average of class Smartphone | |
| iperf3 transmit AXE11000 | |
| iperf3 receive AXE11000 | |
Software and sustainability - 6 years of updates?
Android 15 is pre-installed on the device, with Samsung's OneUI on top, which changes the operating system quite significantly.
The Galaxy A17 4G will receive updates until 2031, i.e. for six years from launch, and new versions of the operating system will be available for this period. However, Samsung restricts this on its website with the addition "up to" and other legal clauses. So you can't fully rely on this great promise.
The Galaxy A17 4G is packaged in paper. Recycled materials make up only 1.4% of the product. At least there is a self-repair database in which Samsung offers spare parts.
Cameras - Unusually flexible
Nothing has changed in the cameras compared to the Galaxy A16 4G, but it was already very well equipped: In addition to the 50-megapixel main camera, there is also a wide-angle lens and a macro lens. Both have a low resolution, but the camera system is still quite flexible.
The main camera takes passable pictures that show cool colours. Details are not always easily recognizable. The surrounding image also appears somewhat blurred in places. In low light and strong contrasts, the brightness is quite good and you can still make out details in most areas.
Videos can be recorded at a maximum of 1080p and 30 fps. The level of detail is decent, but the autofocus is sometimes too slow.
The image from the wide-angle camera looks quite coarse. The front camera takes decent selfies with a good level of detail.
Image comparison
Choose a scene and navigate within the first image. One click changes the position on touchscreens. One click on the zoomed-in image opens the original in a new window. The first image shows the scaled photograph of the test device.
Hauptkamera PflanzeHauptkamera UmgebungHauptkamera LowLightWeitwinkel

Display - Bright 90 Hz AMOLED
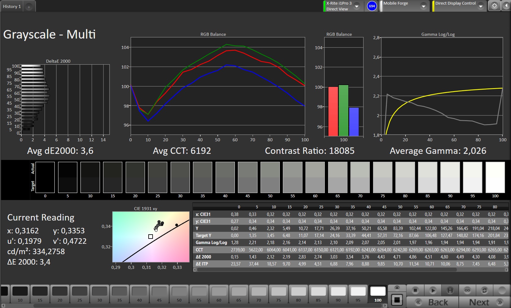
The AMOLED screen of the Galaxy A17 is a rarity in the price range below 200 euros. The screen is quite bright with up to 687 cd/m².
The color reproduction is also pleasing with only slight deviations that are barely visible to the naked eye.
The picture looks quite sharp and the colors are vivid.
However, you also have to accept PWM flickering at low brightness levels.
| |||||||||||||||||||||||||
Brightness Distribution: 93 %
Center on Battery: 687 cd/m²
Contrast: ∞:1 (Black: 0 cd/m²)
ΔE ColorChecker Calman: 3.45 | ∀{0.5-29.43 Ø4.78}
ΔE Greyscale Calman: 3.6 | ∀{0.09-98 Ø5}
99.8% sRGB (Calman 2D)
Gamma: 2.026
CCT: 6192 K
| Samsung Galaxy A17 4G AMOLED, 2340x1080, 6.7" | Samsung Galaxy A17 5G AMOLED, 2340x1080, 6.7" | Xiaomi Redmi 15C 5G IPS, 1600x720, 6.9" | Samsung Galaxy A16 4G Super AMOLED, 2340x1080, 6.7" | Motorola Moto G15 IPS, 2400x1080, 6.7" | |
|---|---|---|---|---|---|
| Screen | 5% | 1% | 8% | 5% | |
| Brightness middle (cd/m²) | 687 | 691 1% | 591 -14% | 729 6% | 468 -32% |
| Brightness (cd/m²) | 666 | 672 1% | 557 -16% | 716 8% | 452 -32% |
| Brightness Distribution (%) | 93 | 92 -1% | 91 -2% | 95 2% | 86 -8% |
| Black Level * (cd/m²) | 0.51 | 0.3 | |||
| Colorchecker dE 2000 * | 3.45 | 3.15 9% | 3.25 6% | 3.14 9% | 2.07 40% |
| Colorchecker dE 2000 max. * | 5.49 | 4.41 20% | 6.77 -23% | 4.24 23% | 6.38 -16% |
| Greyscale dE 2000 * | 3.6 | 3.6 -0% | 1.6 56% | 3.6 -0% | 0.8 78% |
| Gamma | 2.026 109% | 2.041 108% | 2.299 96% | 2.057 107% | 2.202 100% |
| CCT | 6192 105% | 6507 100% | 6967 93% | 6441 101% | 6607 98% |
| Contrast (:1) | 1159 | 1560 |
* ... smaller is better
Screen Flickering / PWM (Pulse-Width Modulation)
| Screen flickering / PWM detected | 367 Hz Amplitude: 16 % | ||
The display backlight flickers at 367 Hz (worst case, e.g., utilizing PWM) . The frequency of 367 Hz is relatively high, so most users sensitive to PWM should not notice any flickering. However, there are reports that some users are still sensitive to PWM at 500 Hz and above, so be aware. In comparison: 53 % of all tested devices do not use PWM to dim the display. If PWM was detected, an average of 8121 (minimum: 5 - maximum: 343500) Hz was measured. | |||
Display Response Times
| ↔ Response Time Black to White | ||
|---|---|---|
| 2.5 ms ... rise ↗ and fall ↘ combined | ↗ 1.2 ms rise | |
| ↘ 1.3 ms fall | ||
| The screen shows very fast response rates in our tests and should be very well suited for fast-paced gaming. In comparison, all tested devices range from 0.1 (minimum) to 240 (maximum) ms. » 12 % of all devices are better. This means that the measured response time is better than the average of all tested devices (20.2 ms). | ||
| ↔ Response Time 50% Grey to 80% Grey | ||
| 2 ms ... rise ↗ and fall ↘ combined | ↗ 1 ms rise | |
| ↘ 1 ms fall | ||
| The screen shows very fast response rates in our tests and should be very well suited for fast-paced gaming. In comparison, all tested devices range from 0.165 (minimum) to 636 (maximum) ms. » 8 % of all devices are better. This means that the measured response time is better than the average of all tested devices (31.6 ms). | ||
Performance, emissions and battery life - reasonably fast
The MediaTek Helio G99 is a very popular SoC in this price category. It usually enables smooth operation, but waiting times can occur in more demanding situations.
The performance is significantly below the 5G model of the Galaxy A17, but otherwise on a par with similarly priced models. The UFS 2.2 memory works quite quickly, but is actually slower than in the predecessor, which can only be explained by a different memory controller or software throttling.
The phone heats up to a maximum of 44.4 °C under prolonged load, which is noticeable but not critical. The phone also throttles minimally at best after long periods of use.
The single speaker on the bottom edge sounds better than its predecessor, still good at maximum volume and no longer quite as treble-heavy. So you can definitely listen to pop music or movie soundtracks. USB or Bluetooth connections are available for external audio devices. However, there are relatively few audio codecs for wireless transmission.
The 5,000 mAh battery is the same as in the Galaxy A16 4G and runtimes are only slightly different. The Samsung Galaxy A17 4G lasts for around 13 hours in our WiFi battery test, revealing one of its weaknesses in comparison with other phones.
| Jetstream 2 - 2.0 Total Score | |
| Average of class Smartphone (23.8 - 387, n=153, last 2 years) | |
| Samsung Galaxy A17 5G | |
| Xiaomi Redmi 15C 5G | |
| Samsung Galaxy A17 4G | |
| Average Mediatek Helio G99 (46.9 - 90.3, n=13) | |
| Samsung Galaxy A17 4G | Samsung Galaxy A17 5G | Xiaomi Redmi 15C 5G | Samsung Galaxy A16 4G | Motorola Moto G15 | Average 128 GB eMMC Flash | Average of class Smartphone | |
|---|---|---|---|---|---|---|---|
| AndroBench 3-5 | -1% | 181% | 179% | -3% | -16% | 476% | |
| Sequential Read 256KB (MB/s) | 518.6 | 528.2 2% | 509.9 -2% | 942.8 82% | 287.7 -45% | 300 ? -42% | 2223 ? 329% |
| Sequential Write 256KB (MB/s) | 172.6 | 170.7 -1% | 512.1 197% | 710.8 312% | 228.5 32% | 195.1 ? 13% | 1838 ? 965% |
| Random Read 4KB (MB/s) | 141.1 | 134.7 -5% | 196.3 39% | 208.8 48% | 65.2 -54% | 85.9 ? -39% | 295 ? 109% |
| Random Write 4KB (MB/s) | 55.9 | 56.4 1% | 329 489% | 208.1 272% | 87.4 56% | 58.1 ? 4% | 335 ? 499% |
(±) The maximum temperature on the upper side is 44.4 °C / 112 F, compared to the average of 35.2 °C / 95 F, ranging from 21.9 to 247 °C for the class Smartphone.
(±) The bottom heats up to a maximum of 44.9 °C / 113 F, compared to the average of 34 °C / 93 F
(+) In idle usage, the average temperature for the upper side is 25.3 °C / 78 F, compared to the device average of 32.9 °C / 91 F.
3DMark Stress Tests
| 3DMark | |
| Wild Life Stress Test Stability | |
| Samsung Galaxy A17 4G | |
| Motorola Moto G15 | |
| Samsung Galaxy A17 5G | |
| Xiaomi Redmi 15C 5G | |
| Samsung Galaxy A16 4G | |
| Wild Life Extreme Stress Test | |
| Motorola Moto G15 | |
| Xiaomi Redmi 15C 5G | |
| Samsung Galaxy A17 4G | |
| Samsung Galaxy A16 4G | |
| Samsung Galaxy A17 5G | |
Samsung Galaxy A17 4G audio analysis
(+) | speakers can play relatively loud (89 dB)
Bass 100 - 315 Hz
(-) | nearly no bass - on average 24% lower than median
(±) | linearity of bass is average (12.9% delta to prev. frequency)
Mids 400 - 2000 Hz
(±) | higher mids - on average 6.1% higher than median
(+) | mids are linear (5.3% delta to prev. frequency)
Highs 2 - 16 kHz
(±) | higher highs - on average 6.5% higher than median
(±) | linearity of highs is average (9% delta to prev. frequency)
Overall 100 - 16.000 Hz
(±) | linearity of overall sound is average (21.9% difference to median)
Compared to same class
» 44% of all tested devices in this class were better, 8% similar, 48% worse
» The best had a delta of 11%, average was 35%, worst was 134%
Compared to all devices tested
» 62% of all tested devices were better, 7% similar, 31% worse
» The best had a delta of 4%, average was 24%, worst was 134%
Motorola Moto G15 audio analysis
(+) | speakers can play relatively loud (84.3 dB)
Bass 100 - 315 Hz
(-) | nearly no bass - on average 23.7% lower than median
(±) | linearity of bass is average (11.9% delta to prev. frequency)
Mids 400 - 2000 Hz
(±) | higher mids - on average 5.3% higher than median
(+) | mids are linear (5.8% delta to prev. frequency)
Highs 2 - 16 kHz
(+) | balanced highs - only 3.3% away from median
(+) | highs are linear (5.9% delta to prev. frequency)
Overall 100 - 16.000 Hz
(±) | linearity of overall sound is average (19.9% difference to median)
Compared to same class
» 32% of all tested devices in this class were better, 8% similar, 61% worse
» The best had a delta of 11%, average was 35%, worst was 134%
Compared to all devices tested
» 50% of all tested devices were better, 7% similar, 43% worse
» The best had a delta of 4%, average was 24%, worst was 134%
| Samsung Galaxy A17 4G 5000 mAh | Samsung Galaxy A17 5G 5000 mAh | Xiaomi Redmi 15C 5G 6000 mAh | Samsung Galaxy A16 4G 5000 mAh | Motorola Moto G15 5200 mAh | |
|---|---|---|---|---|---|
| Battery runtime | 2% | 43% | 16% | 31% | |
| WiFi v1.3 (h) | 13 | 13.2 2% | 18.6 43% | 15.1 16% | 17 31% |
| Reader / Idle (h) | 33.7 | 27.2 | 29.8 | ||
| H.264 (h) | 17.9 | 23.7 | 19.8 | ||
| Load (h) | 4.5 | 5.8 | 5.5 |
Notebookcheck overall rating
The Samsung Galaxy A17 4G is very well equipped for its price range.
The only weak points are the runtimes and the shaky update promise.

Samsung Galaxy A17 4G
- 10/24/2025 v8
Florian Schmitt
Possible alternatives in comparison
Image | Model / Review | Price | Weight | Drive | Display |
|---|---|---|---|---|---|
| Samsung Galaxy A17 4G Mediatek Helio G99 ⎘ ARM Mali-G57 MP2 ⎘ 4 GB Memory, 128 GB eMMC | Amazon: $204.99 List Price: 185€ | 190 g | 128 GB eMMC Flash | 6.70" 2340x1080 385 PPI AMOLED | |
| Samsung Galaxy A17 5G Samsung Exynos 1330 ⎘ ARM Mali-G68 MP2 ⎘ 4 GB Memory, 128 GB eMMC | Amazon: $212.70 List Price: 209€ | 192 g | 128 GB eMMC Flash | 6.70" 2340x1080 385 PPI AMOLED | |
| Xiaomi Redmi 15C 5G Mediatek Dimensity 6300 ⎘ ARM Mali-G57 MP2 ⎘ 4 GB Memory, 128 GB UFS 2.1 | Amazon: 1. $7.99 Suttkue for Xiaomi Redmi 15C... 2. $3.59 Mr.Shield Screen Protector c... 3. $8.57 GANGANPRO 2 Pack Privacy Scr... List Price: 170€ | 211 g | 128 GB UFS 2.2 Flash | 6.90" 1600x720 254 PPI IPS | |
| Samsung Galaxy A16 4G Mediatek Helio G99 ⎘ ARM Mali-G57 MP2 ⎘ 4 GB Memory, 128 GB UFS 2.1 | Amazon: $125.67 List Price: 179€ | 200 g | 128 GB UFS 2.2 Flash | 6.70" 2340x1080 385 PPI Super AMOLED | |
| Motorola Moto G15 Mediatek Helio G81 ⎘ ARM Mali-G52 MP2 ⎘ 4 GB Memory, 128 GB eMMC | Amazon: $133.70 List Price: 150€ | 190 g | 128 GB eMMC Flash | 6.72" 2400x1080 392 PPI IPS |
Transparency
The selection of devices to be reviewed is made by our editorial team. The test sample was provided to the author as a loan by the manufacturer or retailer for the purpose of this review. The lender had no influence on this review, nor did the manufacturer receive a copy of this review before publication. There was no obligation to publish this review. As an independent media company, Notebookcheck is not subjected to the authority of manufacturers, retailers or publishers.
This is how Notebookcheck is testing
Every year, Notebookcheck independently reviews hundreds of laptops and smartphones using standardized procedures to ensure that all results are comparable. We have continuously developed our test methods for around 20 years and set industry standards in the process. In our test labs, high-quality measuring equipment is utilized by experienced technicians and editors. These tests involve a multi-stage validation process. Our complex rating system is based on hundreds of well-founded measurements and benchmarks, which maintains objectivity. Further information on our test methods can be found here.

































