Xiaomi Poco C40 smartphone review – Slow phone with long battery life
Xiaomi's Poco line-up is already known for its budget devices that offer great value for money. And the C series has some of the cheapest phones within the sub-brand.
There have been only a few C-series phones up to this point. The Poco C40 has now also made it to Europe: priced significantly below 200 Euro (US$200), the smartphone comes with an exotic SoC that reveals the manufacturer behind it only upon a closer look. The large battery and relatively fast charging technology appear quite impressive at first glance.
In this review, we will examine the all the facets of the phone and find out whether it is suitable for everyday use.
Comparison with possible competitors
Rating | Date | Model | Weight | Drive | Size | Resolution | Price |
|---|---|---|---|---|---|---|---|
| 74.4 % v7 (old) | 11 / 2022 | Xiaomi Poco C40 JR510, Mali-G52 MP1 | 204 g | 32 GB eMMC Flash | 6.71" | 1650x720 | |
| 76.6 % v7 (old) | 07 / 2022 | Xiaomi Redmi 10C SD 680, Adreno 610 | 190 g | 64 GB UFS 2.2 Flash | 6.71" | 1650x720 | |
| 74.7 % v7 (old) | 10 / 2022 | Samsung Galaxy A04s Exynos 850, Mali-G52 MP1 | 195 g | 32 GB eMMC Flash | 6.50" | 1600x720 | |
| 75.1 % v7 (old) | 05 / 2022 | Motorola Moto G22 Helio G37, PowerVR GE8320 | 185 g | 64 GB eMMC Flash | 6.50" | 1600x720 | |
| 78.5 % v7 (old) | 03 / 2022 | Nokia G21 T7200 (T606), Mali-G57 MP1 | 190 g | 64 GB eMMC Flash | 6.50" | 1600x720 |
Case – Leatherette and IP certification
The Poco C40 is available in three colours: our review unit is Power Black, but you can also get the phone in Coral Green and Poco Yellow if you like more striking colours.
The rear of the phone has a leatherette texture that gives the otherwise pretty basic plastic construction a more premium feel. The camera module and fingerprint sensor are located in a large, black unit that occupies the top quarter of the phone's back and refracts light.
The chassis exhibits a little bit of flex in many places but feels quite sturdy as a whole. There are clearly noticeable gaps between materials, but the joints are clean. Due to its large battery, the Poco C40 is slightly heavier than other phones in this price range.
The manufacturer claims that the phone has IP52 certification, meaning that the device is only protected against dust and water splashes and that you shouldn't immerse the phone in water.
Specifications – No NFC support, unfortunately
The Poco C40 is available in two storage & RAM configurations (RRP is also provided below):
- 32 GB storage / 3 GB RAM: 169.90 Euro (US$149)
- 64 GB storage / 4 GB RAM: 189.90 Euro (US$179)
As with many budget phones, the C40 still sports a 3.5 mm audio jack for plugging in headphones or other audio devices. It is also nice to see Xiaomi opting to give the device a USB-C port and thus doing its part in the standardisation of ports; not all manufacturers have made the switch to USB-C in the budget segment.
If you enjoy paying with your phone, you will be left wanting with the Poco C40. The device lacks an NFC module and therefore can't be used with mobile payment services.
microSD card reader
We used our reference microSD card, the Angelbird V60, to test the transfer rates of the card reader, which has its own holder separate from the two SIM slots.
The card reader has very slow transfer speeds according to our manual file copy test as well as the CPDT benchmark, though it is worth noting that the reader delivered slightly better speeds in the CPDT benchmark.
| SD Card Reader - average JPG Copy Test (av. of 3 runs) | |
| Samsung Galaxy A04s (Angelbird V60) | |
| Xiaomi Redmi 10C (Angelbird V60) | |
| Motorola Moto G22 (Angelbird V60) | |
| Nokia G21 (Angelbird V60) | |
| Xiaomi Poco C40 (Angelbird V60) | |
Cross Platform Disk Test (CPDT)
Software – Tons of preinstalled apps
The smartphone comes preinstalled with Xiaomi's MIUI 13. Despite what the name might suggest, the operating system is only based on Android 11. It is difficult to find accurate information on how long the phone will be supported with updates. Nonetheless, based on experience, even budget Poco phones will receive two years of security updates and at least one new operating system version.
The manufacturer has greatly modified Android and preinstalled a ton of software. This includes not just Xiaomi apps that offer extra functions, but also third-party advertising apps that take up even more of the already small storage.
Connectivity – Wi-Fi 5 is standard
Similar to most phones in this class, the Poco C40 supports up to Wi-Fi 5. The phone managed to hit a good transmit speed of roughly 350 Mbit/s during our Wi-Fi test, which was performed using our reference reference router (Asus ROG Rapture AXE11000). However, the receive speed decreased after a short while and ended up at a lower value.
The Poco C40 is a 4G phone and thus can't communicate with the faster 5G networks. The range of frequency bands supported is mostly adequate for use in Europe. Nonetheless, before travelling elsewhere with the phone, you should check whether it is able to work with the mobile Internet in the destination country.
The location-tracking chip in the Poco C40 supports the following networks: GPS, Galileo, GLONASS and Beidou. However, the phone doesn't have an SBAS support system, which can ensure higher accuracy. We went outdoors with the review unit to see how fast and accurate the phone could determine our location: the GPS Test app indicated an accuracy of 3 m after a short while, which is a typical result for most phones.
To get an even better idea of how good the location tracking is, we hopped on our bike and went on a ride, bringing along the Garmin Venu 2 as a comparison device.
The Poco C40 exhibited some weaknesses during our test. At one point, we had to turn around suddenly due to a construction site. The location tracking system completely ignored this and instead simply drew a straight line through several plots of land to the next location point. The phone also ended the location tracking too early.
Overall, whilst the positioning was fairly accurate, given the errors mentioned, you should carefully consider whether you want to rely on the Poco C40 as a navigation device.
Call functions and voice quality
The Xiaomi Poco C40 uses the Google Phone app for calls, which can also be found on many other android phones.
Voice quality is quite good through the internal ear speaker: the person on the other end sounded full and clear. Similarly, they could hear what we were saying clearly, even when we spoke more softly.
However, when we were using the speakerphone, the other person sounded considerable thinner, but our voice still sounded rather good. The microphone only has issues dealing with background noises.
Cameras – Single camera produces dull images
The main camera on the Poco phone has a 13MP sensor and a fairly narrow aperture of f/2.2, meaning not a lot of light can reach the sensor. You'll immediately notice this when looking at the photo of the flower, which appears rather dull.
In the urban landscape shot, the autofocus didn't manage to get everything looking sharp, and surfaces appear blotchy. In the low-light situation, the was hardly any brightening and details quickly ended up looking blurry.
The phone is capable of recording videos at up to 1080p and 30 fps. Brightness adjustment is pretty fast in video mode, and autofocus mostly reacts accurately without hunting back and forth. But videos also aren't particularly bright, so you would need to ensure lighting conditions are great when filming with the phone.
The front camera produces photos with a noticeable blue tint and doesn't brighten images very well even in good lighting. You only need to zoom in slightly to see that details look very rough in the photo.
Image comparison
Choose a scene and navigate within the first image. One click changes the position on touchscreens. One click on the zoomed-in image opens the original in a new window. The first image shows the scaled photograph of the test device.
Main camera: flowerMain camera: urban landscapeMain camera: low-light shotIn a studio environment, the centre of the test chart is rendered quite well, whilst the photo quickly gets blurry towards the edges. Colours end up looking a little too vibrant but are otherwise reproduced rather accurately.
Overall, although the camera offers a few good ideas, the image quality is mostly below average in everyday use, even for a very cheap phone.


Accessories and warranty – Slow charger
Inside the box, the Poco C40 comes with a charger, a USB-C cable, a SIM ejector tool and the usual documentation.
The charger is only rated at 10 watts and therefore can't take advantage of the max charging speed that the phone is capable of. You can get a 33-watt charger from Xiaomi for a relatively low price of 15 Euro (the North American variant costs US$20).
Poco provides a 24-month warranty on the phone as long as it is purchased within the EU. The warranty period may only be one year in some other regions.
Input devices & operation – No face recognition
The phone's touchscreen is reliable to use, remains sensitive even at the corners and offers a pretty smooth surface for your finger to glide across. However, the display is a 60Hz panel, meaning it doesn't feel as responsive as faster screens on some of the other phones in this price range.
The device can be unlocked using fingerprint. There is a physical sensor on the back below the camera that can be easily accessed using the index finger. It recognises fingerprints stored on the phone very accurately, but takes a second to actually unlock the screen. The Poco C40 doesn't have any face unlock feature on board.
Display – Slow but pretty bright
As is usual for a phone of this class, the Xiaomi Poco C40 is equipped with a 720p display. We like the fairly even brightness distribution of the display, and the screen's max brightness is also quite decent for the price.
As mentioned earlier, the phone still only has a 60Hz screen. In contrast, many other manufacturers are meanwhile already giving entry-level phones at least 90Hz displays to provide a more fluid experience.
The Poco C40 doesn't rely on PWM to dim the backlight. This means that even those who are more sensitive to PWM flicker should be able to use the screen without any issues. Response time, however, is quite slow.
| |||||||||||||||||||||||||
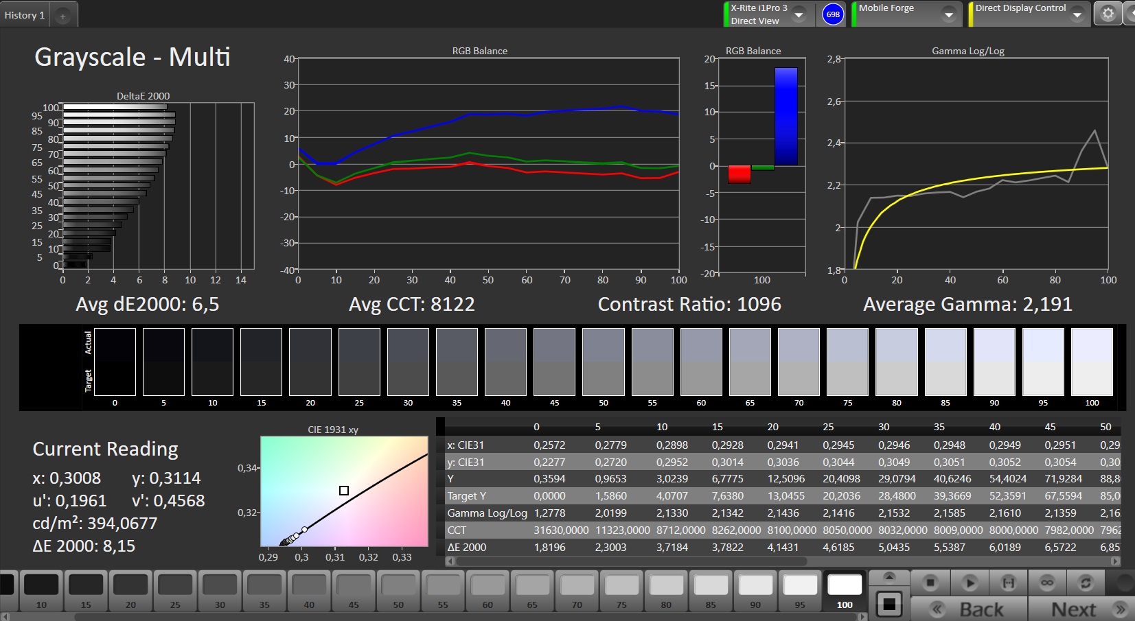
Brightness Distribution: 92 %
Center on Battery: 468 cd/m²
Contrast: 1170:1 (Black: 0.4 cd/m²)
ΔE ColorChecker Calman: 4.53 | ∀{0.5-29.43 Ø4.78}
ΔE Greyscale Calman: 6.5 | ∀{0.09-98 Ø5}
93.1% sRGB (Calman 2D)
Gamma: 2.191
CCT: 8122 K
| Xiaomi Poco C40 IPS, 1650x720, 6.7" | Xiaomi Redmi 10C IPS, 1650x720, 6.7" | Samsung Galaxy A04s PLS, 1600x720, 6.5" | Motorola Moto G22 IPS LCD, 1600x720, 6.5" | Nokia G21 IPS, 1600x720, 6.5" | |
|---|---|---|---|---|---|
| Screen | 25% | 4% | -8% | -8% | |
| Brightness middle (cd/m²) | 468 | 511 9% | 426 -9% | 451 -4% | 492 5% |
| Brightness (cd/m²) | 450 | 478 6% | 390 -13% | 431 -4% | 484 8% |
| Brightness Distribution (%) | 92 | 84 -9% | 84 -9% | 90 -2% | 86 -7% |
| Black Level * (cd/m²) | 0.4 | 0.42 -5% | 0.33 17% | 0.5 -25% | 0.46 -15% |
| Contrast (:1) | 1170 | 1217 4% | 1291 10% | 902 -23% | 1070 -9% |
| Colorchecker dE 2000 * | 4.53 | 1.51 67% | 4.39 3% | 5.82 -28% | 6.02 -33% |
| Colorchecker dE 2000 max. * | 8.96 | 2.53 72% | 7.97 11% | 9.3 -4% | 9.13 -2% |
| Greyscale dE 2000 * | 6.5 | 2.9 55% | 5.1 22% | 5 23% | 7.1 -9% |
| Gamma | 2.191 100% | 2.266 97% | 2.184 101% | 2.776 79% | 2.345 94% |
| CCT | 8122 80% | 6443 101% | 7985 81% | 7683 85% | 8918 73% |
* ... smaller is better
Screen Flickering / PWM (Pulse-Width Modulation)
| Screen flickering / PWM not detected | |||
In comparison: 53 % of all tested devices do not use PWM to dim the display. If PWM was detected, an average of 8118 (minimum: 5 - maximum: 343500) Hz was measured. | |||
When analysing the greyscale rendering in the CalMAN software, we found that the screen has a noticeable blue tint. In particular, shades of light blue and green are rendered too inaccurately. Overall, as with many devices in this price range, the colour production isn't particularly accurate and tends to be somewhat cool.
Display Response Times
| ↔ Response Time Black to White | ||
|---|---|---|
| 28 ms ... rise ↗ and fall ↘ combined | ↗ 13 ms rise | |
| ↘ 15 ms fall | ||
| The screen shows relatively slow response rates in our tests and may be too slow for gamers. In comparison, all tested devices range from 0.1 (minimum) to 240 (maximum) ms. » 70 % of all devices are better. This means that the measured response time is worse than the average of all tested devices (20.2 ms). | ||
| ↔ Response Time 50% Grey to 80% Grey | ||
| 40 ms ... rise ↗ and fall ↘ combined | ↗ 23 ms rise | |
| ↘ 17 ms fall | ||
| The screen shows slow response rates in our tests and will be unsatisfactory for gamers. In comparison, all tested devices range from 0.165 (minimum) to 636 (maximum) ms. » 60 % of all devices are better. This means that the measured response time is worse than the average of all tested devices (31.6 ms). | ||
When using the phone outdoors, you can still make out things on the screen on a cloudy day. However, as soon as the sun comes out, you might want to find yourself a shady spot to use the device, as otherwise reflections will overpower the image being displayed.
The screen has a great viewing angle because it uses IPS technology. Images on screen remain acceptable even when viewed from a sharp angle.
Performance – Patience required
The SoC in the Poco C40 is made by the company JLQ. Never heard of them? JLQ is actually a joint venture in China between Qualcomm and other companies. Named JR510, the bottom-tier SoC will remind you a lot of the Snapdragon 439 made by the American company.
You will quickly notice this in day-to-day use: the device stutters constantly and keeps you waiting even when the apps in question are not very demanding. Some benchmarks won't even run because the GPU, for example, can't handle Vulkan API.
The slow storage hardly makes the experience any better. Things often take a long time to load and the system feels even slower because of the sluggish storage.
For web browsing, the Poco C40 delivers a similar level of performance as other budget smartphones. But that isn't saying much: even with high-speed Internet, it takes a while for websites to load, and you often have to wait even longer for images to appear.
Only those who are patient will enjoy the Poco C40 and its performance in everyday use.
| Antutu v9 - Total Score | |
| Average of class Smartphone (99654 - 2056989, n=29, last 2 years) | |
| Samsung Galaxy A04s | |
| Xiaomi Poco C40 | |
| Average JLQ JR510 (n=1) | |
| Motorola Moto G22 | |
| PCMark for Android - Work 3.0 | |
| Average of class Smartphone (4507 - 28557, n=188, last 2 years) | |
| Nokia G21 | |
| Xiaomi Redmi 10C | |
| Samsung Galaxy A04s | |
| Motorola Moto G22 | |
| Xiaomi Poco C40 | |
| Average JLQ JR510 (n=1) | |
| CrossMark - Overall | |
| Average of class Smartphone (187 - 2674, n=126, last 2 years) | |
| Xiaomi Poco C40 | |
| Average JLQ JR510 (n=1) | |
| Samsung Galaxy A04s | |
| Motorola Moto G22 | |
| UL Procyon AI Inference for Android - Overall Score NNAPI | |
| Average of class Smartphone (3769 - 81594, n=137, last 2 years) | |
| Samsung Galaxy A04s | |
| Motorola Moto G22 | |
| Xiaomi Poco C40 | |
| Average JLQ JR510 (n=1) | |
| AImark - Score v2.x | |
| Samsung Galaxy A04s | |
| Xiaomi Poco C40 | |
| Average JLQ JR510 (n=1) | |
| Motorola Moto G22 | |
GFXBench (DX / GLBenchmark) 2.7: T-Rex Onscreen | 1920x1080 T-Rex Offscreen
GFXBench 3.0: on screen Manhattan Onscreen OGL | 1920x1080 1080p Manhattan Offscreen
GFXBench 3.1: on screen Manhattan ES 3.1 Onscreen | 1920x1080 Manhattan ES 3.1 Offscreen
GFXBench: on screen Car Chase Onscreen | 1920x1080 Car Chase Offscreen | on screen Aztec Ruins High Tier Onscreen | 2560x1440 Aztec Ruins High Tier Offscreen | on screen Aztec Ruins Normal Tier Onscreen | 1920x1080 Aztec Ruins Normal Tier Offscreen
| 3DMark / Sling Shot Extreme (ES 3.1) Unlimited Physics | |
| Xiaomi Redmi 10C | |
| Nokia G21 | |
| Samsung Galaxy A04s | |
| Xiaomi Poco C40 | |
| Motorola Moto G22 | |
| 3DMark / Sling Shot Extreme (ES 3.1) Unlimited Graphics | |
| Xiaomi Redmi 10C | |
| Nokia G21 | |
| Samsung Galaxy A04s | |
| Xiaomi Poco C40 | |
| Motorola Moto G22 | |
| 3DMark / Sling Shot Extreme (ES 3.1) Unlimited | |
| Xiaomi Redmi 10C | |
| Nokia G21 | |
| Samsung Galaxy A04s | |
| Xiaomi Poco C40 | |
| Motorola Moto G22 | |
| 3DMark / Sling Shot Extreme (ES 3.1) | |
| Xiaomi Redmi 10C | |
| Nokia G21 | |
| Samsung Galaxy A04s | |
| Xiaomi Poco C40 | |
| Motorola Moto G22 | |
| 3DMark / Sling Shot Extreme (ES 3.1) Graphics | |
| Xiaomi Redmi 10C | |
| Nokia G21 | |
| Samsung Galaxy A04s | |
| Xiaomi Poco C40 | |
| Motorola Moto G22 | |
| 3DMark / Sling Shot Extreme (ES 3.1) Physics | |
| Xiaomi Redmi 10C | |
| Nokia G21 | |
| Samsung Galaxy A04s | |
| Xiaomi Poco C40 | |
| Motorola Moto G22 | |
| GFXBench (DX / GLBenchmark) 2.7 / T-Rex Onscreen | |
| Samsung Galaxy A04s | |
| Motorola Moto G22 | |
| Xiaomi Poco C40 | |
| GFXBench (DX / GLBenchmark) 2.7 / T-Rex Offscreen | |
| Samsung Galaxy A04s | |
| Motorola Moto G22 | |
| Xiaomi Poco C40 | |
| GFXBench 3.0 / Manhattan Onscreen OGL | |
| Samsung Galaxy A04s | |
| Motorola Moto G22 | |
| Xiaomi Poco C40 | |
| GFXBench 3.0 / 1080p Manhattan Offscreen | |
| Samsung Galaxy A04s | |
| Motorola Moto G22 | |
| Xiaomi Poco C40 | |
| GFXBench 3.1 / Manhattan ES 3.1 Onscreen | |
| Samsung Galaxy A04s | |
| Xiaomi Poco C40 | |
| Motorola Moto G22 | |
| GFXBench 3.1 / Manhattan ES 3.1 Offscreen | |
| Samsung Galaxy A04s | |
| Motorola Moto G22 | |
| Xiaomi Poco C40 | |
| GFXBench / Car Chase Onscreen | |
| Samsung Galaxy A04s | |
| Xiaomi Poco C40 | |
| Motorola Moto G22 | |
| GFXBench / Car Chase Offscreen | |
| Samsung Galaxy A04s | |
| Xiaomi Poco C40 | |
| Motorola Moto G22 | |
| GFXBench / Aztec Ruins High Tier Onscreen | |
| Xiaomi Redmi 10C | |
| Samsung Galaxy A04s | |
| Nokia G21 | |
| Motorola Moto G22 | |
| Xiaomi Poco C40 | |
| GFXBench / Aztec Ruins High Tier Offscreen | |
| Xiaomi Redmi 10C | |
| Samsung Galaxy A04s | |
| Nokia G21 | |
| Motorola Moto G22 | |
| Xiaomi Poco C40 | |
| GFXBench / Aztec Ruins Normal Tier Onscreen | |
| Xiaomi Redmi 10C | |
| Samsung Galaxy A04s | |
| Nokia G21 | |
| Motorola Moto G22 | |
| Xiaomi Poco C40 | |
| GFXBench / Aztec Ruins Normal Tier Offscreen | |
| Xiaomi Redmi 10C | |
| Samsung Galaxy A04s | |
| Nokia G21 | |
| Motorola Moto G22 | |
| Xiaomi Poco C40 | |
| Jetstream 2 - 2.0 Total Score | |
| Average of class Smartphone (23.8 - 387, n=153, last 2 years) | |
| Samsung Galaxy A04s (Chrome 106) | |
| Motorola Moto G22 (Chrome101) | |
| Speedometer 2.0 - Result 2.0 | |
| Average of class Smartphone (15.2 - 643, n=128, last 2 years) | |
| Samsung Galaxy A04s (Chome 106) | |
| Motorola Moto G22 (Chrome101) | |
| Xiaomi Poco C40 (Chome 106) | |
| Average JLQ JR510 (n=1) | |
| WebXPRT 4 - Overall | |
| Average of class Smartphone (27 - 306, n=147, last 2 years) | |
| Xiaomi Poco C40 (Chrome 106) | |
| Samsung Galaxy A04s (Chrome 106) | |
| Average JLQ JR510 (n=1) | |
| WebXPRT 3 - Overall | |
| Average of class Smartphone (38 - 380, n=35, last 2 years) | |
| Xiaomi Poco C40 (Chrome 106) | |
| Average JLQ JR510 (n=1) | |
| Samsung Galaxy A04s (Chrome 106) | |
| Motorola Moto G22 (Chrome101) | |
| Octane V2 - Total Score | |
| Average of class Smartphone (2228 - 121337, n=200, last 2 years) | |
| Xiaomi Poco C40 (Chrome 106) | |
| Average JLQ JR510 (n=1) | |
| Samsung Galaxy A04s (Chrome 106) | |
| Motorola Moto G22 (Chrome101) | |
| Mozilla Kraken 1.1 - Total | |
| Motorola Moto G22 (Chrome101) | |
| Xiaomi Poco C40 (Chrome 106) | |
| Average JLQ JR510 (n=1) | |
| Samsung Galaxy A04s (Chrome 106) | |
| Average of class Smartphone (257 - 28190, n=155, last 2 years) | |
* ... smaller is better
| Xiaomi Poco C40 | Xiaomi Redmi 10C | Samsung Galaxy A04s | Motorola Moto G22 | Nokia G21 | Average 32 GB eMMC Flash | Average of class Smartphone | |
|---|---|---|---|---|---|---|---|
| AndroBench 3-5 | 256% | 18% | -20% | 43% | -14% | 828% | |
| Sequential Read 256KB (MB/s) | 281.7 | 927.7 229% | 302.4 7% | 215.45 -24% | 257.6 -9% | 242 ? -14% | 2223 ? 689% |
| Sequential Write 256KB (MB/s) | 129.8 | 510.2 293% | 83.3 -36% | 112.78 -13% | 180.6 39% | 100.5 ? -23% | 1838 ? 1316% |
| Random Read 4KB (MB/s) | 29.2 | 120.2 312% | 62.7 115% | 39.32 35% | 74 153% | 43.1 ? 48% | 295 ? 910% |
| Random Write 4KB (MB/s) | 67.7 | 195.2 188% | 58.9 -13% | 16.34 -76% | 60.2 -11% | 22.3 ? -67% | 335 ? 395% |
Gaming – Only for casual gamers
The very budget Poco C40 is only suitable for gaming to a limited extent, as shown by our gaming tests. Even a less demanding game like Armajet experienced severe frame rate drops that actually made the fast-paced shooter unplayable.
In PUBG, there were likewise frequent dips in frame rate even at the lowest settings. And the game ran at a maximum of about 20 fps.
The Poco C40 should be adequate for people who just want to play simple games that don't rely on quick reaction. But you should probably look at other phones if you want to play even the simplest of action games.
Note: we measured the in-game frame rates using software from GameBench.
Emissions – Hardly gets warm
Temperature
The phone's outer surfaces stayed reasonably cool and never exceeded 37°C (98.6°F), so you will hardly feel any heat from the device.
It really wasn't easy to determine whether the SoC can maintained its performance over prolonged periods. This is because 3DMark stress tests refused to launch. We then attempted to analyse the system's stability using the stress test in GFXBench and found that the Poco C40 still delivered almost the same level of performance even after a few dozen runs of the benchmark.
(+) The maximum temperature on the upper side is 36.2 °C / 97 F, compared to the average of 35.2 °C / 95 F, ranging from 21.9 to 247 °C for the class Smartphone.
(+) The bottom heats up to a maximum of 36 °C / 97 F, compared to the average of 34 °C / 93 F
(+) In idle usage, the average temperature for the upper side is 23 °C / 73 F, compared to the device average of 32.9 °C / 91 F.
Speak
The mono speaker on the Xiaomi Poco C40 doesn't get particularly loud. On the flip side, it doesn't distort at maximum volume. The sound produced by the speaker is fairly thin and lacks any audible bass. But the speaker is fine if you just want give a piece of music or video a quick listen, especially considering that speech sounds pretty clear from it.
Apart from the 3.5 mm audio jack, we also like the fact that the Poco phone supports a wide range of Bluetooth codecs, even high-res ones like LHDC and aptX Adaptive. This lets you connect high-res certified headphones over Bluetooth and enjoy the full sound quality.
Xiaomi Poco C40 audio analysis
(±) | speaker loudness is average but good (80.1 dB)
Bass 100 - 315 Hz
(-) | nearly no bass - on average 30.8% lower than median
(±) | linearity of bass is average (10% delta to prev. frequency)
Mids 400 - 2000 Hz
(±) | higher mids - on average 5.6% higher than median
(+) | mids are linear (6.5% delta to prev. frequency)
Highs 2 - 16 kHz
(+) | balanced highs - only 4.4% away from median
(+) | highs are linear (6.2% delta to prev. frequency)
Overall 100 - 16.000 Hz
(±) | linearity of overall sound is average (24.6% difference to median)
Compared to same class
» 59% of all tested devices in this class were better, 7% similar, 34% worse
» The best had a delta of 11%, average was 35%, worst was 134%
Compared to all devices tested
» 74% of all tested devices were better, 6% similar, 20% worse
» The best had a delta of 4%, average was 24%, worst was 134%
Nokia G21 audio analysis
(+) | speakers can play relatively loud (85.6 dB)
Bass 100 - 315 Hz
(-) | nearly no bass - on average 28.2% lower than median
(+) | bass is linear (6.7% delta to prev. frequency)
Mids 400 - 2000 Hz
(±) | higher mids - on average 6.9% higher than median
(±) | linearity of mids is average (11.8% delta to prev. frequency)
Highs 2 - 16 kHz
(+) | balanced highs - only 3% away from median
(+) | highs are linear (3.6% delta to prev. frequency)
Overall 100 - 16.000 Hz
(±) | linearity of overall sound is average (23.7% difference to median)
Compared to same class
» 53% of all tested devices in this class were better, 8% similar, 38% worse
» The best had a delta of 11%, average was 35%, worst was 134%
Compared to all devices tested
» 70% of all tested devices were better, 6% similar, 24% worse
» The best had a delta of 4%, average was 24%, worst was 134%
Battery life – Large battery with long charging time
Power consumption
In terms of power usage, the Poco C40 can hold its own against other smartphones in this price range thanks to its JLQ SoC. Its peak power usage of 4.9 watts under load is absolutely within the normal range. The Poco C40 is only marginally more power-hungry at idle.
The phone can be charged at up to 18 watts, but you'll have to purchase a suitable charger separately: the included charger can only output a maximum of 10 watts – something we find greatly annoying. This, combined with the large battery, means that it can sometimes take four hours to fully recharge the phone. If nothing else, using a high-speed charger could shorten charging time by one hour.
| Off / Standby | |
| Idle | |
| Load |
|
Key:
min: | |
| Xiaomi Poco C40 6000 mAh | Samsung Galaxy A04s 5000 mAh | Motorola Moto G22 5000 mAh | Average JLQ JR510 | Average of class Smartphone | |
|---|---|---|---|---|---|
| Power Consumption | 11% | 4% | 0% | -39% | |
| Idle Minimum * (Watt) | 1.2 | 1.1 8% | 0.9 25% | 1.2 ? -0% | 0.848 ? 29% |
| Idle Average * (Watt) | 1.5 | 1.3 13% | 1.2 20% | 1.5 ? -0% | 1.435 ? 4% |
| Idle Maximum * (Watt) | 1.7 | 1.6 6% | 1.5 12% | 1.7 ? -0% | 1.621 ? 5% |
| Load Average * (Watt) | 3.5 | 2.7 23% | 4.5 -29% | 3.5 ? -0% | 6.99 ? -100% |
| Load Maximum * (Watt) | 4.9 | 4.7 4% | 5.2 -6% | 4.9 ? -0% | 11.3 ? -131% |
* ... smaller is better
Power consumption: Geekbench (150 cd/m²)
Power consumption: GFXBench (150 cd/m²)
Battery life
The 6,000 mAh battery in the Poco C40 is certainly one of the highlights of this budget phone. It kept the device running for more than 20 hours in our Wi-Fi test, so the phone should be able to last more than two days with moderate usage and won't have to be plugged in as often.
Even at full load, the Poco C40 managed to keep going for over 6 hours and 40 minutes.
| Xiaomi Poco C40 6000 mAh | Xiaomi Redmi 10C 5000 mAh | Samsung Galaxy A04s 5000 mAh | Motorola Moto G22 5000 mAh | Nokia G21 5050 mAh | |
|---|---|---|---|---|---|
| Battery runtime | -25% | -14% | -10% | -10% | |
| Reader / Idle (h) | 47.6 | 37.6 -21% | 46.4 -3% | ||
| H.264 (h) | 20.8 | 17.7 -15% | 19.9 -4% | ||
| WiFi v1.3 (h) | 20.1 | 15.1 -25% | 16.3 -19% | 18.4 -8% | 18.1 -10% |
| Load (h) | 6.7 | 6.6 -1% | 5 -25% |
Pros
Cons
Verdict – Xiaomi misses the mark too sometimes
The Chinese company Xiaomi has proved time and again that it can deliver great value for money with its smartphones. But it seems like even Xiaomi's product designers and engineers have hit their limits with the ultra-budget Poco C40: whilst the smartphone is equipped with a remarkably large battery for its price and thus has long battery life, it is otherwise nothing more than standard fare in most aspects for an entry-level phone under 200 Euro (US$200).
As a result, both the camera and ARM SoC fail to be particularly impressive. Despite being able to draw on Qualcomm's experience, the SoC suffers from extremely poor performance and limitations in terms of graphics compatibility. Moreover, the display exhibits a blue tint, delivers image quality that is at best typical for this price range and offers only a 60Hz refresh rate.
We can hardly recommend using the Poco C40 as a navigation device due to errors in location tracking. And the slow storage makes the system even more sluggish.
The Poco C40 tries to attract consumers with its large battery, but the phone offers very little else that would make it truly recommendable.
The Xiaomi Redmi 10C has significantly better performance and is overall a superior entry-level phone. Another phone to consider is the Motorola Moto G22, which offers similarly great battery life and a faster display.
Price and availability
In Germany, the lower-spec version of the Poco C40 (3 GB RAM and 32 GB storage) is available for 150 Euro on Poco's website. The higher-end configuration with 4 GB of RAM and 64 GB of storage will set you back 30 Euro more. The two models are also on sale for just 140 Euro and 160 Euro on notebookbilliger.de.
Interestingly, in the US both versions of the phone are currently available at the same price of US$180 on Amazon.com.
Xiaomi Poco C40
- 11/05/2022 v7 (old)
Florian Schmitt




















































